欢迎您来到kaiyun(中国)官方网站官方网站
加入我们
全国服务热线:
0757-27333768
kaiyun登录入口
关于必达
产品中心
新闻中心
工程案例
诚聘精英
ENG
ENG
关于必达
走进必达
企业发展
企业荣誉
高新技术产品证书
获奖证书
质量认证体系
专利证书
绿色认证证书
企业文化
产品中心
移开式开关柜系列
固定柜系列
环网柜系列
高压元件类
低压成套设备
箱式变电站
动力配电箱
预制仓
新闻中心
公司新闻
行业新闻
工程案例
电网案例
工程投运案例
诚聘精英
诚聘精英
联系我们
产品中心
返回
KYN44A-12(Z)移开式开关柜
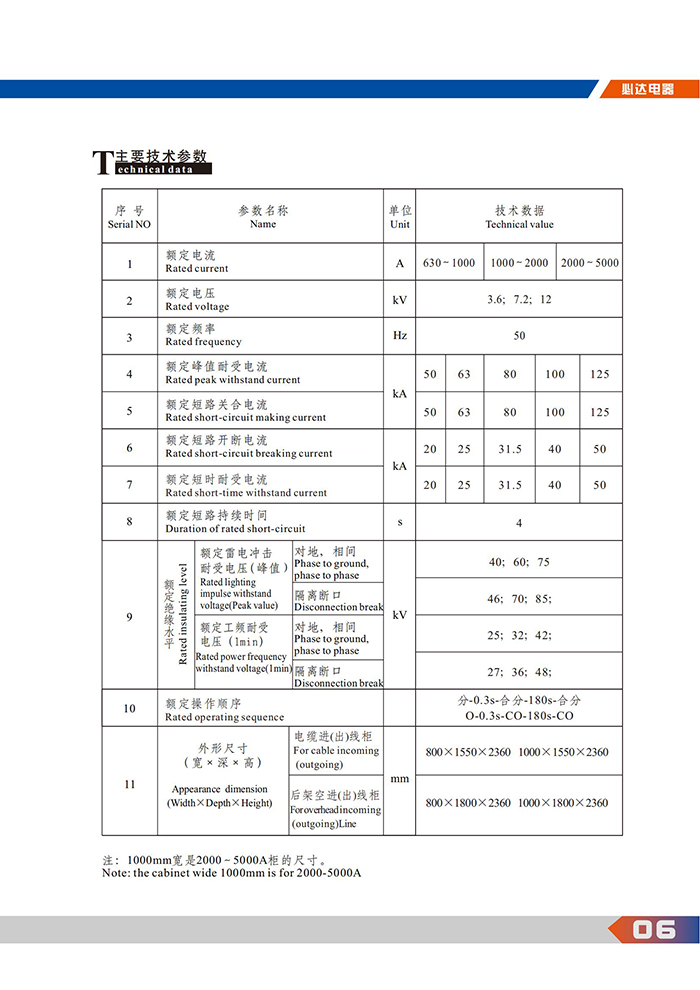
产品参数
服务热线
0757-27333768
产品介绍
更多介绍
KAIYUN·开云「中国」官方网站
|
爱游戏(ayx)体育官方网站_ayx.com
|
华体会在线
|
开云·体育
|
华体会hth·(体育)中国官方网站
|
华体会_平台华体会(中国)一站式服务平台
|
开云线上官网_开云(中国)
|
开云集团官网(中国)官方网站
|
开云官方在线入口
|