Welcome to the official website of Guangdong Bida Electric Appliance Co., Ltd
Join Us
National Service Hotline:
0757-27333768
HOME
ABOUT
PRODUCT
NEWS
CASE
JOIN US
CN
CN
ABOUT
ENTERING BIDA
ENTERPRISE DEVELOPMENT
ENTERPRISE HONOR
CORPORATE CULTURE
PRODUCT
REMOVABLE SWITCHGEAR SERIES
FIXED CABINET SERIES
RING MAIN UNIT SERIES
HIGH VOLTAGE COMPONENTS
LOW VOLTAGE COMPLETE EQUIPMENT
BOX TYPE SUBSTATION
POWER DISTRIBUTION BOX
PREFABRICATED WAREHOUSE
NEWS
COMPANY NEWS
INDUSTRY NEWS
CASE
POWER GRID CASE
ENGINEERING OPERATION CASE
JOIN US
JOIN US
CONTACT
PRODUCT
BACK
KYN44A-12 (Z) movable switchgear
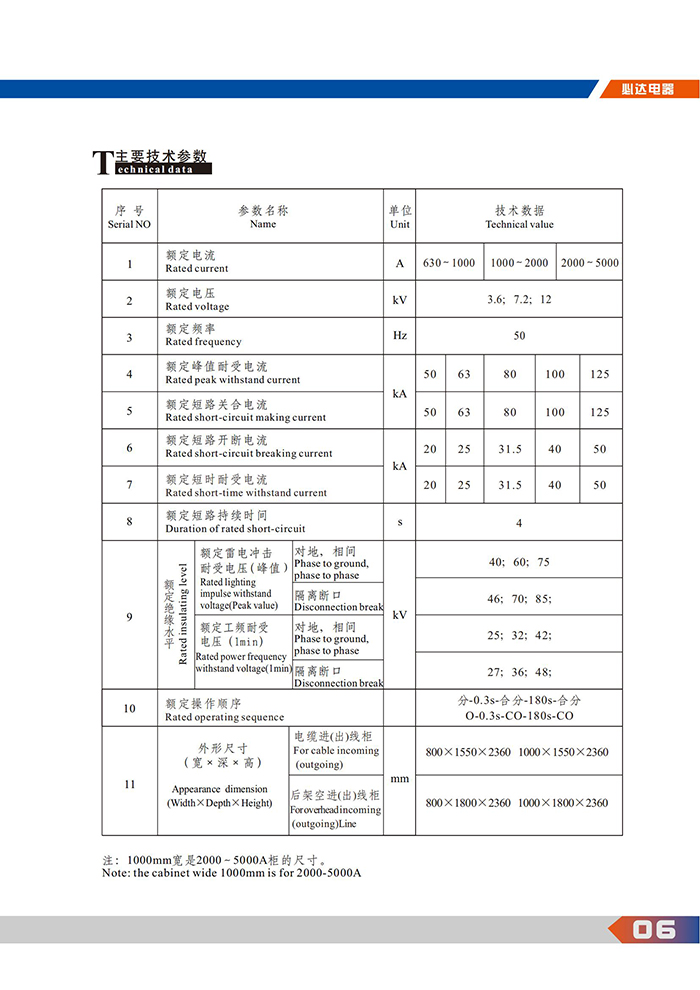
Product parameters
Service Hotline
0757-27333768
Product Introduction
More introduction
KAIYUN·开云「中国」官方网站
|
爱游戏(ayx)体育官方网站_ayx.com
|
华体会在线
|
开云·体育
|
华体会hth·(体育)中国官方网站
|
华体会_平台华体会(中国)一站式服务平台
|
开云线上官网_开云(中国)
|
开云集团官网(中国)官方网站
|
开云官方在线入口
|